詳情
您的位置:超卓閥門 >> 氣動雙座調節閥的安裝方法氣動雙座調節閥的安裝方法
發布時間:13-11-23 關注次數: 調節閥安裝不符合要求而出故障會造成巨大的浪費,反之,安裝得當,可保證正常開工并可延長使用壽命。減少維修工作量和獲得良好的系統控制性能。
(1)安裝調節閥總體上應考慮以下方面:
①安全:安裝過程中人員和設備的安全。
②控制性能:配管系統壓力損失應與計算調節閥尺寸時所考慮的壓力損失一致,以保證所需的流量特性。進出口應盡量保證足夠的直管段。
③安裝位置:應有足夠的空間便于操作人員手動操作(包括旁路操作)以及保證調節閥和附件的就地拆卸和維修的可能性。
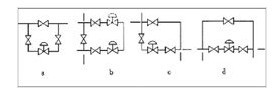
④調節閥組:一般在工藝過程配管中均安裝切斷閥的旁路閥與調節閥配成閥組,以適應設備連續操作的需要。維修調節閥時用切斷閥隔離。用旁路閥調節。下面圖4中推薦四種調節閥組布置方式。
.jpg)
圖 b方式中調節閥亦可裝在虛線位置
(2)安裝人員首先應認識到調節閥是一種精密的儀器設備,不準碰撞跌摔,以免損壞。具體注意以下幾點:
①閥最好正立垂直安裝在管道上。閥自重較大和有震動場合應加支承架。
②閥體要避免因前后配管或調和的法蘭嚴重不同軸而受到過大的應力。
③在初次開工前和停工檢修后應先沖洗配管系統后裝調節閥。或在閥前安裝過渡濾口。
④必按照閥體上流動方向的箭頭安裝調節閥。
上一條信息:氣動低溫單座調節閥使用注意事項
下一條信息:電動式調節閥類似產品
















