切斷閥系列
您的位置:超卓閥門 >>切斷閥系列 >> CDMF快速切斷閥CDMF快速切斷閥
CDMF型電控式煤氣快速切斷閥簡介:
電控式煤氣快速切斷閥是我們公司最新開發的換代產品;是煤氣系統中防止重大事故發生的有效安全裝置,本閥具有結構簡單、操作方便、工作可靠、切斷速度快(≤1秒鐘)和密封 性能好等特點,廣泛應用于煤氣加熱爐、煤氣鍋爐及各種工業然氣鍋爐中。
我公司生產的切斷閥有DN150-DN1200等多種規格。
CDMF型電控式煤氣快速切斷閥工作原理
電控式煤氣快速切斷閥由密封性能良好的蝶閥電磁機構、鎖定機構、重錘及重錘臂等部件組成;閥門開啟時,重錘臂處于豎立位置,電源接通,重錘臂被鎖定機構鎖定,管道正常輸氣。當管道內介質壓力底于規定值或系統出現異常需立即切斷介質時,可通過相應的控制回路使電磁機構斷電,解除鎖定;重錘臂及閥板在重力的作用下,依順時針方向落下,閥門關閉。當需要恢復供氣時,將重錘臂連同重錘按逆時針方向轉至升至似堅直位置,鎖定機構復位,此時行程開關的接點閉合,電磁機構得電,重錘臂被鎖定。閥門又呈開啟狀態。
CDMF型電控式煤氣快速切斷閥特點:
1、當電源系統意外斷電時,切斷閥會快速關閉。
2、通過控制電路與其它的電氣設備進行連鎖運行,切斷煤氣,以滿足生產系統的安全要求。
3、工耗低,一般工作能耗為20W~40W,發熱量小,無噪聲,對于電力系統瞬間斷電(<0.5秒)有一定的抗干擾能力。
CDMF型電控式煤氣快速切斷閥安裝與使用
1、切斷的安裝方式有水平管道安裝和垂直管道安裝兩種,不可以在傾斜管道上安裝。安裝后的閥門其軸線要求水平。
2、切斷閥一般應在室內使用,環境溫度范圍在 -20℃~ 80℃,所在管道不得有劇烈的震動。如為露天安裝,必須加裝防雨罩。
3、切斷閥適應的氣體介質溫度為不超過 120℃。如果介質中雜質及沉淀物很多,需在切斷閥前部管道的適應位置加裝沉淀排污裝置并定期排污。若很多污垢粘貼到閥板上后會影響密閉效果。
4、安裝時,閥體上的標志箭頭方向應與管道介質流動方向一致。
5、用戶應定期檢查和保養閥門及其鎖定機構,各項活動部位要經常加注潤滑油以防銹蝕。
6、切斷閥電磁機構工作電源為直流24V DC。
7、我公司可根據用戶的要求隨閥門配帶控制箱。
8、在閥門重錘臂下落處安裝安全防護網以防重錘傷人。
CDMF型電控式煤氣快速切斷閥主要性能:
|
產品型號 |
DMF-02 |
|
|
公稱通徑DN |
DN80-450 |
DN500-800 |
|
公稱壓力 |
0.16MPa |
0.10MPa |
|
介質溫度 |
≤ 120℃ |
|
|
密封試驗壓力 |
0.2MPa |
0.12MPa |
|
強度試驗壓力 |
0.3MPa |
|
|
適用介質 |
煤氣、空氣 |
|
|
電源 |
24V DC |
|
|
工作耗電量 |
20~30W |
40W |

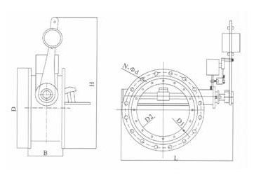
CDMF型電控式煤氣快速切斷閥外形結構及尺寸:
|
DN |
D |
D1 |
D2 |
H |
B |
L |
N-φd |
重量(Kg) |
|
80 |
185 |
150 |
52 |
470 |
110 |
320 |
4-φO18 |
15 |
|
100 |
205 |
170 |
64 |
490 |
120 |
330 |
4-φ18 |
19 |
|
150 |
260 |
225 |
99 |
660 |
140 |
440 |
8-φ18 |
25 |
|
200 |
315 |
280 |
160 |
750 |
160 |
480 |
8-φ18 |
42 |
|
250 |
370 |
335 |
203 |
780 |
160 |
550 |
12-φ18 |
60 |
|
300 |
435 |
395 |
254 |
890 |
190 |
590 |
12-φ22 |
70 |
|
350 |
485 |
455 |
290 |
970 |
210 |
660 |
12-φ22 |
85 |
|
400 |
535 |
495 |
438 |
1050 |
230 |
730 |
16-φ22 |
106 |
|
450 |
590 |
550 |
380 |
1090 |
256 |
810 |
16-φ22 |
135 |
|
500 |
640 |
600 |
414 |
1290 |
280 |
850 |
16-φ22 |
164 |
|
600 |
755 |
705 |
520 |
1370 |
320 |
910 |
20-φ25 |
210 |
|
700 |
860 |
810 |
576 |
1560 |
340 |
1050 |
24-φ25 |
290 |
|
800 |
975 |
920 |
576 |
1610 |
340 |
1180 |
24-φ30 |
350 |
CDMF型電控式煤氣快速切斷閥控制箱操作說明:
用戶自選設備功能:
與電氣專業引鼓風機聯鎖,與煤氣低壓聯鎖,與控制電源聯鎖,切斷煤氣。)
1——煤氣壓力數顯控制儀(選裝件)。
2——切斷閥開關指示燈。
3——試燈按鈕。
4——關閉切斷閥控制按鈕(需要同時按下才起作用,以防止誤操作)。在關閉切斷閥時應對4、5 按鈕同時按2秒鐘以上,一確保切斷閥關閉。
6——手動/自動切換開關。(切換開關所在的位置不影響手動關閉切斷閥。)
7——除單臺閥門控制箱外,我公司還可根據用戶要求,設計多臺切斷閥的控制回路及控制箱,如需要請與我公司聯系。




