| BX43W二通保溫旋塞閥的啟閉件是--個有孔的圓柱體,圓柱體與閥桿繞垂直于通道的軸線旋轉,從而達到啟閉通道的目的。二通保溫旋塞閥主要供開啟和關閉管道和設備介質之用。保溫旋塞閥主要優點:適用于經常操作,啟閉迅速、輕便,流體阻力小。結構簡單,相對體積小,重量輕,便于維修。密封性能好,不受安裝方向的限制,介質的流向可任意。無振動,噪聲小。BX43W二通保溫旋塞閥主要應用于化工、石油、制藥、冶金等行業的系統管路中,主要作用是輸送在常溫狀態下會凝固、易結晶的介質。
BX43W二通保溫旋塞閥主要性能規范
|
型號
|
公稱壓力
PN(MPa)
|
試驗壓力PS(MPa)
|
工作壓力
P(MPa)
|
適用介質
|
工作溫度
(℃)
|
|
殼體
|
密封
|
|
BX43W-1.0P
|
1.0
|
1.5
|
1.1
|
1.0
|
硝酸類等
|
≤250
|
|
BX43W-1.0C
|
1.0
|
1.5
|
1.1
|
1.0
|
非腐蝕、弱腐蝕
|
≤200
|
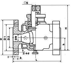
BX43W二通保溫旋塞閥主要尺寸
|
口徑(DN)
|
L
|
D
|
D1
|
D2
|
z-φd
|
|
20
|
90
|
150
|
105
|
75
|
55
|
4╳14
|
|
25
|
110
|
160
|
115
|
85
|
65
|
4╳14
|
|
32
|
115
|
190
|
135
|
100
|
78
|
4╳18
|
|
40
|
150
|
200
|
145
|
110
|
85
|
4╳18
|
|
50
|
170
|
220
|
160
|
125
|
100
|
4╳18
|
|
65
|
220
|
280
|
180
|
145
|
120
|
4╳18
|
|
80
|
250
|
300
|
195
|
160
|
135
|
4╳18
|
|
100
|
300
|
340
|
215
|
180
|
155
|
8╳18
|
|
125
|
350
|
245
|
210
|
185
|
8╳18
|
|
150
|
400
|
280
|
240
|
210
|
8╳23
|
|
200
|
450
|
335
|
295
|
265
|
8╳23
|
|
250
|
530
|
390
|
350
|
320
|
8╳23
|
|
300
|
580
|
440
|
400
|
368
|
8╳23
|
BX43W二通保溫旋塞閥主要材料
|
零件名稱
|
閥體、塞子
|
填料
|
|
BX43W-1.0P
BX43W-1.0R
|
不銹鋼
|
石墨盤根+304
|
|
BX43W-1.0C
|
鑄鋼
|
|
|