蝶閥
您的位置:超卓閥門 >>蝶閥 >> D341W手動通風蝶閥D341W手動通風蝶閥
D341W手動通風蝶閥產品簡介
D341H、D341W 型 PN0.5~PN1 通風蝶閥在冶金、化工、建材、電站、玻璃等行業中的通風、環保工程的含塵冷風或熱風氣體管道中,作為氣體介質調節流量或切斷裝置。
D341W手動通風蝶閥產品特點
1、采用中線式碟板與短結構鋼板焊接的新型結構形式設計制造的,結構緊湊、重量輕、便于安裝、流阻小、流通量大,避免高溫膨脹的影響,操作輕便
2、內無連桿、螺栓等、工作可靠、使用壽命長。可以多工位安裝,不受介質流向影響
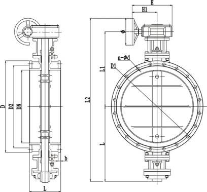
D341W手動通風蝶閥產品外形圖
D341W手動通風蝶閥主要外形和連接尺寸
|
公稱通徑 |
主要外形尺寸和連接尺寸 |
|||||||
|
L |
D1 |
D |
Z-d |
H |
H0 |
A |
B |
|
|
50 |
108 |
110 |
140 |
4-14 |
70 |
215 |
270 |
65 |
|
65 |
112 |
130 |
160 |
4-14 |
80 |
235 |
270 |
65 |
|
80 |
124 |
150 |
190 |
4-18 |
95 |
263 |
270 |
65 |
|
100 |
127 |
170 |
210 |
4-18 |
105 |
283 |
270 |
65 |
|
125 |
140 |
200 |
240 |
8-18 |
120 |
313 |
310 |
65 |
|
150 |
140 |
225 |
265 |
8-18 |
132.5 |
338 |
310 |
65 |
|
200 |
152 |
280 |
320 |
8-18 |
160 |
493 |
365 |
90 |
|
250 |
165 |
335 |
375 |
12-18 |
187.5 |
550 |
365 |
90 |
|
300 |
178 |
395 |
440 |
12-22 |
220 |
615 |
365 |
90 |
|
350 |
190 |
445 |
490 |
12-22 |
245 |
678 |
365 |
90 |
|
400 |
216 |
495 |
540 |
16-22 |
270 |
727 |
365 |
90 |
|
450 |
222 |
550 |
595 |
16-22 |
297.5 |
782 |
365 |
90 |
D341W手動通風蝶閥訂貨須知
訂貨時請填寫《規格書》或注明以下內容:
一、若訂貨前還未選定型號,請向我們提供您的使用參數:1.公稱通徑、額定流量系數KV,
2.流體性質(包括公稱壓力、溫度、粘度或酸堿性),3.閥作用形式(電-關式或電-開式),4.流量特性,
5.閥前、閥后壓力,6.閥體、閥芯材料,7.輸入信號,8.是否帶附件,說明附件型號。以便我們的為您正確選型。
二、若已經由設計單位選定我公司的產品型號,請按型號直接向我司銷售部訂購;
三、當使用的場合非常重要或管路比較復雜時,請您盡量提供設計圖紙和詳細參數,由我們的專家為您審核把關。
感謝您光顧我們公司,如需了解更多請登錄www.zjcz-v.com





