眼鏡閥
您的位置:超卓閥門 >>眼鏡閥 >> F643X氣動扇形盲板閥F643X氣動扇形盲板閥
F643X氣動扇形盲板閥詳細說明
F643X氣動扇形盲板閥結構特點
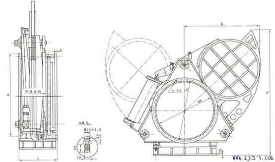
F643X氣動扇形盲板閥主要由左閥體、右閥體、絲桿副、密封圈、杠桿、氣缸等零件組成,并由底坐、支撐柱構成一個剛性的結構體。閥門中設有夾緊、松開、氣缸和翻板氣缸、夾緊、松開氣缸通過杠桿副和絲桿螺旋副驅動左、右閥體完成松開、夾緊動作,翻板氣缸驅動翻板完成開關動作。橡膠密封圈嵌在閥板上,具有耐高溫密封性能好、更換方便、使用壽命長等特點。
F643X氣動扇形盲板閥可以單臺遠距離控制,可多臺聯網遠距離控制,非正常情況下還可以利用閥門本身裝置手動操作。
F643X氣動扇形盲板閥產品結構圖和外形尺寸
|
DN |
L |
D |
D1 |
H |
A |
b |
n-¢d |
質量 kg |
|
|
PN0.05-0.1 |
PN0.15-0.25 |
||||||||
|
300 |
500 |
440 |
395 |
720 |
480 |
22 |
12-23 |
255 |
280 |
|
350 |
600 |
490 |
445 |
810 |
520 |
22 |
12-23 |
285 |
310 |
|
400 |
600 |
540 |
495 |
920 |
300 |
22 |
16-23 |
300 |
330 |
|
450 |
600 |
595 |
550 |
995 |
658 |
24 |
16-23 |
350 |
380 |
|
500 |
600 |
645 |
600 |
1102 |
712 |
24 |
16-23 |
400 |
440 |
|
600 |
600 |
755 |
705 |
1500 |
920 |
24 |
20-26 |
500 |
550 |
|
700 |
600 |
860 |
810 |
1600 |
970 |
26 |
24-26 |
580 |
630 |
|
800 |
800 |
975 |
920 |
1850 |
1100 |
26 |
24-30 |
1500 |
1650 |
|
900 |
800 |
1075 |
1020 |
1980 |
1200 |
28 |
24-30 |
1800 |
1980 |
|
1000 |
800 |
1175 |
1120 |
2200 |
1320 |
30 |
28-30 |
2100 |
2300 |
F643X氣動扇形盲板閥訂貨須知
訂貨時請填寫《規格書》或注明以下內容:
一、若訂貨前還未選定型號,請向我們提供您的使用參數:1.公稱通徑、額定流量系數KV,
2.流體性質(包括公稱壓力、溫度、粘度或酸堿性),3.閥作用形式(電-關式或電-開式),4.流量特性,
5.閥前、閥后壓力,6.閥體、閥芯材料,7.輸入信號,8.是否帶附件,說明附件型號。以便我們的為您正確選型。
二、若已經由設計單位選定我公司的產品型號,請按型號直接向我司銷售部訂購;
三、當使用的場合非常重要或管路比較復雜時,請您盡量提供設計圖紙和詳細參數,由我們的專家為您審核把關。
感謝您光顧我們公司,如需了解更多請登錄www.zjcz-v.com





