電磁閥
您的位置:超卓閥門 >>電磁閥 >> DMF-0.1型電磁式煤氣安全切斷閥DMF-0.1型電磁式煤氣安全切斷閥
|
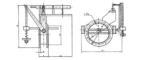
DMF-0.1型電磁式煤氣安全切斷閥主要由電磁式啟動器和密封性能良好的蝶閥配套組合而成。具有結構簡單、操作方便、工作可靠、切斷速度快和密封性能好等優點。密封面一般為耐油橡膠,亦可提供聚四氟乙烯密封圈的特殊產品。 |
||||||||||||||||||||||||||||||||||||||||||||||||||||||||||||||||||||||||||||||||||||||||||||||||||||||||||||||||||||||||||||||||||||||||||||||||||||||||
|
切斷速度慢、控制復雜等缺點,而且在斷電時也能立即切斷煤氣,保證生產安全。 |
||||||||||||||||||||||||||||||||||||||||||||||||||||||||||||||||||||||||||||||||||||||||||||||||||||||||||||||||||||||||||||||||||||||||||||||||||||||||
|
1、電磁鐵一般按交流220V,電容量約為220VA供貨(特殊要求時本廠也可供貨) |
||||||||||||||||||||||||||||||||||||||||||||||||||||||||||||||||||||||||||||||||||||||||||||||||||||||||||||||||||||||||||||||||||||||||||||||||||||||||
|
2、閥的公稱壓力為PN0.1MPA。 |
||||||||||||||||||||||||||||||||||||||||||||||||||||||||||||||||||||||||||||||||||||||||||||||||||||||||||||||||||||||||||||||||||||||||||||||||||||||||
|
3、蝶閥有關尺寸見附表1(法蘭與JB81-59一致)。 |
||||||||||||||||||||||||||||||||||||||||||||||||||||||||||||||||||||||||||||||||||||||||||||||||||||||||||||||||||||||||||||||||||||||||||||||||||||||||
|
4、切斷時間:一秒 |
||||||||||||||||||||||||||||||||||||||||||||||||||||||||||||||||||||||||||||||||||||||||||||||||||||||||||||||||||||||||||||||||||||||||||||||||||||||||
|
5、介質溫度:-20~180℃。 |
||||||||||||||||||||||||||||||||||||||||||||||||||||||||||||||||||||||||||||||||||||||||||||||||||||||||||||||||||||||||||||||||||||||||||||||||||||||||
|
6、環境溫度:-20~60℃。
|
更多電磁閥的相關產品:





