詳細內容:
J44W不銹鋼角式截止閥概述
J44W不銹鋼角式截止閥的啟閉件是塞形的閥瓣,密封面呈平面或錐面,閥瓣沿流體的中心線作直線運動。閥桿的運動形式,有升降桿(閥桿升降,手輪不升降),也有升降旋轉桿式(手輪與閥桿一起旋轉升降,螺母設在閥體上)。截止閥只適用于全開和全關,不允許作調節和節流.截止閥屬于強制密封式閥門,所以在閥門關閉時,必須向閥瓣施加壓力,以強制密封面不泄漏
J44W不銹鋼角式截止閥性能范圍
|
型號
|
公稱
壓力
|
試驗壓力
|
工作溫度
(℃)
|
適用介質
|
|
強度(水)
|
密封(水)
空氣(MPa)
|
低壓密封
空氣(MPa)
|
|
J44W-16P(R)
|
1.6
|
2.4
|
1.8
|
0.6
|
≤200
|
NITRIC ACID
|
|
硝酸類
|
|
J44W-25P(R)
|
2.5
|
3.8
|
2.8
|
0.6
|
≤200
|
ACETIC ACID
|
|
醋酸類
|
|
J44W-40P(R)
|
4.0
|
6.0
|
4.4
|
0.6
|
≤200
|
NITRIC ACID
|
|
硝酸類
|
J44W不銹鋼角式截止閥主要零件材料
|
零件名稱
|
材料
|
|
閥體、閥蓋
|
Cf8、CF3、CF8M、CF3M
|
|
閥瓣
|
304、304L、316、316L
|
|
閥桿
|
304、304L、316、316L
|
|
閥桿螺母
|
鋁鐵青銅 Al bronze
|
|
手輪
|
灰鑄鐵、可鍛鑄鐵
|
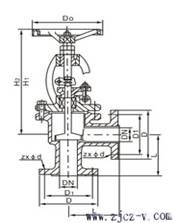
J44W不銹鋼角式截止閥主要外形及結構尺寸

|
DN
|
L
|
D
|
D1
|
D2
|
f
|
b
|
zxφd
|
Do
|
H1
|
H2
|
|
20
|
75
|
105
|
75
|
50
|
3
|
16
|
4xφ14
|
90
|
188
|
205
|
|
25
|
80
|
115
|
85
|
53
|
3
|
16
|
4xφ14
|
100
|
250
|
275
|
|
32
|
90
|
135
|
100
|
66
|
3
|
18
|
4xφ18
|
120
|
275
|
303
|
|
40
|
100
|
145
|
110
|
70
|
3
|
18
|
4xφ18
|
140
|
303
|
343
|
|
50
|
115
|
160
|
125
|
90
|
3
|
20
|
4xφ18
|
160
|
310
|
350
|
|
65
|
145
|
180
|
145
|
117
|
3
|
20
|
4xφ18
|
180
|
337
|
372
|
|
80
|
155
|
195
|
160
|
130
|
3
|
22
|
8xφ18
|
220
|
425
|
490
|
|
100
|
175
|
215
|
180
|
150
|
3
|
24
|
8xφ18
|
240
|
435
|
515
|
|
125
|
200
|
245
|
210
|
173
|
3
|
24
|
8xφ18
|
280
|
500
|
585
|
|
150
|
240
|
280
|
240
|
200
|
3
|
24
|
12xφ23
|
320
|
554
|
640
|
|
200
|
300
|
335
|
295
|
248
|
3
|
27
|
12xφ23
|
400
|
718
|
868
|
J44W不銹鋼角式截止閥訂貨須知:
一、①J44W不銹鋼角式截止閥作用產品名稱與型號②J44W不銹鋼角式截止閥作用口徑③J44W不銹鋼角式截止閥作用是否帶附件以便我們的為您正確選型。
二、若已經由設計單位選定超卓閥門公司的J44W不銹鋼角式截止閥作用型號,請按J44W不銹鋼角式截止閥作用直接向我司銷售部訂購。
三、當使用的場合非常重要或環境比較復雜時,請您盡量提供設計圖紙和詳細參數,由我們的超卓閥門專家為您審核把關。
不銹鋼閥門的相關產品: