V型球閥
您的位置:超卓閥門 >>V型球閥 >> V型電動球閥V型電動球閥
V型電動球閥概述
電動V型球閥是一種芯閥座采用金屬,或金屬對聚四氟乙烯密封配合的旋轉球閥,它將球閥和蝶閥的最佳控制特性結合成一體,既可用作控制調節閥,又可作關斷切斷閥。其主要特點是:
(1)不帶任何管接頭的整體式閥體,因此不受管道或螺栓應力影響,并且由于閥體無任何管接頭,故耐壓殼體不會受壓力“突變”的影響;
(2)具有一個V型閥體,即使在小流量或高粘度介質的情況下,也可在整個量程范圍內,保證控制的精確性;
(3)防漏耐用的閥座在其外徑處襯有帶不銹鋼內芯PTFE杯形或是O型密封圈,閥座用截面較大的鎢鈷硬質合金制成,通過一個合金的波紋彈簧進一步增強了閥座的結構;
(4)當閥門關閉時,V型缺口與閥座之間產生楔形剪切作用,并既具有自潔功能又可防止球芯卡死,特別適用于管線結垢凍結或含有纖維和顆粒固體場合。
適用于高粘度、懸浮液、紙漿等不干凈、含纖維介質場合。采用直連方式與執行機構連接,具有結構緊湊、尺寸小、重量輕、阻力小、動作穩定可靠等優點。執行機構根據用戶要求配置UNIC、PSQ、HQ、DHL等型號電子式電動執行機構或GTX、AL等氣動活塞式執行機構。
|
V型電動球閥技術參數
|
||||||||||||||||||||||||||||||||||||||||||||||||||||||||||||||||
V型電動球閥性能
|
基本誤差 |
回差 |
死區 |
輸入信號 |
輸出信號 |
|
全行程的 |
全行程的 |
全行程的 |
4~20mADC |
4~20mADC |
|
公稱通徑D(mm) |
25 |
32 |
40 |
50 |
65 |
80 |
100 |
125 |
150 |
200 |
250 |
300 |
350 |
400 |
|
額定流量系數Cv |
32 |
43 |
78 |
90 |
160 |
250 |
360 |
610 |
1120 |
1850 |
2950 |
3700 |
7195 |
11466 |
|
公稱壓力PN(MPa) |
1.6、2.5、4.0、6.4 |
|||||||||||||
|
流量特性 |
||||||||||||||
|
閥板轉角(度) |
0°~至90°(可調) |
|||||||||||||
|
允許泄漏量等級 |
軟密封:零泄露 |
軟密封:VI微氣泡級,金屬密封:≤額定CV×0.065% |
||||||||||||
|
動作時間(S/90度) |
8.5~30 |
36~60 |
||||||||||||
|
可調節比 |
250:1 |
300:1 |
||||||||||||
V型電動球閥流量特性曲線
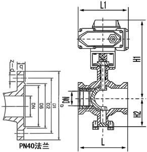
V型電動球閥外形尺寸
|
|||||||||||||||||||||||||||||||||||||||||||||||||||||||||||||||||||||||||||||||||||||||||||||||||||||||||||||||||||||||||||||||||||||||||||||||||||||||||||
V型電動球閥訂貨須知
訂貨時請填寫《規格書》或注明以下內容:
一、若訂貨前還未選定型號,請向我們提供您的使用參數:1.公稱通徑、額定流量系數KV,
2.流體性質(包括公稱壓力、溫度、粘度或酸堿性),3.閥作用形式(電-關式或電-開式),4.流量特性,
5.閥前、閥后壓力,6.閥體、閥芯材料,7.輸入信號,8.是否帶附件,說明附件型號。以便我們的為您正確選型。
二、若已經由設計單位選定我公司的產品型號,請按型號直接向我司銷售部訂購;
三、當使用的場合非常重要或管路比較復雜時,請您盡量提供設計圖紙和詳細參數,由我們的專家為您審核把關。






